TCS算法迭代更新
本文是对之前开发的TCS算法的一次更新,提高了算法的可靠性和有效性,并补充了不同路面条件下的测试结果
缺陷和不足
此前开发的TCS算法,从思路到实现上存在诸多不足,主要包括以下几点:
- PID计算方式有误,下文将详细解释
- 存在持续积分的问题,积分未清零,多次使用TCS会累计误差
- 对车辆静止或车辆抓地力强等不需要TCS介入的条件没有感知,TCS始终开启,有可能出现危险
- PID补偿扭矩的上下限没有动态调整。针对不同的车手输入扭矩,应当有不同的上下限
针对上述问题,在比赛结束季后阶段,对TCS算法进行迭代开发,完善功能,提高可靠性。
更新和完善
修改PID计算方法
此前的TCS算法中,PID调控方法是:
- 计算滑移率误差。滑移率误差
这里的计算方法就有问题。正确的误差为。因此得到的是滑移率误差的相反数 - 对滑移率误差应用PID算法,得到补偿扭矩
当滑移率较高时,PID得到的结果也较高,但是我们期望的是滑移率较高时,输出扭矩小,补偿扭矩应当为负。因此前面对滑移率误差取相反数后,PID的结果随之取反,滑移率越大,补偿扭矩越小(绝对值增大),理论上是正确的。
实际上这种方法非常反直觉,反人类,属于是屎山代码了。 - 将补偿扭矩与车手输入扭矩相加
这一步看起来是符合直觉的,实际上却不正确。对于正确的PID结果,应当为正值,我们期望减小输出扭矩,所以应当将补偿扭矩与车手输入扭矩相减。
修改后的PID算法如下
滑移率与滑移率目标相减,得到误差(高于目标为正),进入PID后,得到的补偿扭矩结果也为正。实际输出扭矩为车手输入扭矩减去补偿扭矩。即可实现PID调控效果。
这样的计算方式更加符合直觉,也符合PID调控结果一般为正值的习惯。
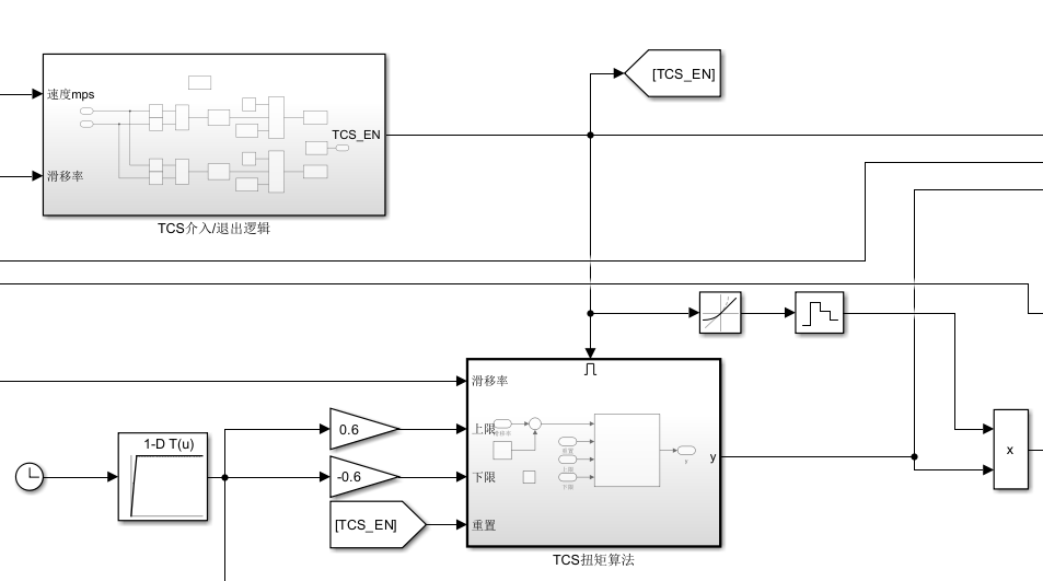
添加PID上下限
如上图所示,我在PID控制器上添加了外部控制的上下限,和重置信号。上下限是车手输入扭矩的±60%。重置信号来源于TCS的介入信号,下文会详细解释。
这里详细解释一下PID上下限的问题。为了避免人机对抗的情况发生,TCS的补偿扭矩不应高过车手的输入扭矩,保证车手时时刻刻都能掌握最高操纵权。实际运行中,让补偿扭矩控制在车手输入扭矩的±60%范围内,是一个既保证效果又保证安全的数值。尤其是当车手松开油门,扭矩为0时,TCS算法很难保证此时的输出就是0,因此存在车手松开油门,车辆仍然前进的情况。这样的情况十分危险。上下限按照车手输入扭矩进行动态调控后,如果车手松开油门,那么TCS的上下限也是0,TCS不会对车辆有任何干扰。
添加积分饱和和重置
当PID输出饱和时,如果不采取合适的抗饱和措施,PID控制器会一直累计积分项,导致比例项和微分项失去控制意义(被极大的积分项覆盖掉)。应用Clamp钳位的抗饱和方法,控制器会自动停止积分器积分,防止积分项过大影响控制器调控效果。
此外,每次TCS介入和退出,都不应包含上一次TCS算法的积分量。因此添加了一个积分重置信号,与TCS介入信号绑定,TCS介入瞬间,会将积分量清零。
PID参数
没仔细调。其实算法正确的情况下,PID不同的参数影响不大,都能实现较好的调控效果。
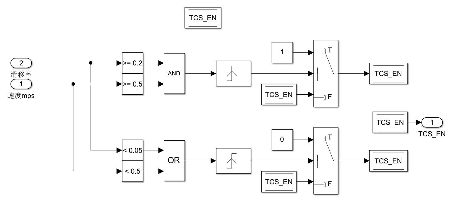
添加TCS介入和退出逻辑
此前的TCS算法只有一个总开关,只要开启,TCS始终都会进行计算和补偿。理想的TCS算法应当在需要的时候介入,不需要的时候,将操纵权交还给车手。这里我设计了一个简单的状态机。
- 同时满足以下三个条件时,TCS介入:滑移率≥0.2、车速≥0.5m/s、TCS尚未介入
- 以下任意一个条件满足时,若TCS已经介入,退出TCS:滑移率小于0.05、车速小于0.5m/s
添加这个逻辑后,如果直接应用到PID的结果上,容易导致输出扭矩剧烈跳动。比如TCS介入时,扭矩可能突然下降40~50,影响车手感知和电机寿命。因此,增加TCS介入和退出的平滑算法,利用Simulink的Rate Limiter实现。
TCS_EN信号是一个0-1跳变信号。添加Rate Limiter后,会变成一个上升/下降沿较缓的0-1跳变信号。这个信号与TCS算法结果相乘,即可对TCS算法进行开关或线性介入和退出。
车手输入扭矩曲线
利用1-D Lookup Table的特性,可以实现一个模仿车手油门输入的曲线。输入是仿真时间,输出是扭矩。改变曲线即可。
添加空气动力学模拟
Carsim中下压力的模拟非常简单。一张图就可以概括
三个方向的力,均受到各个方向的两个系数,和A、Q两个参数决定。Q会随着速度增加而增加。修改z方向的系数就可以修改下压力设定。
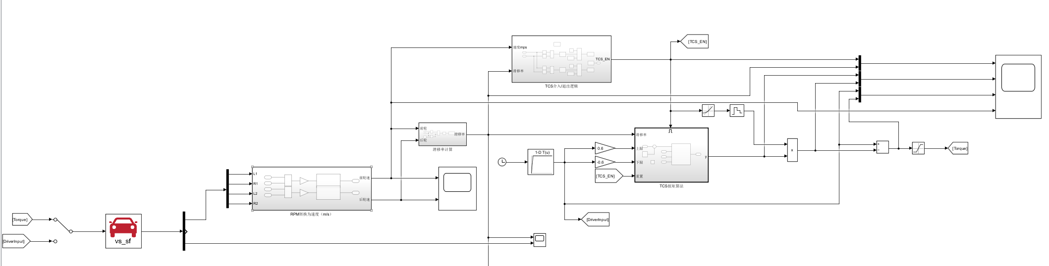
算法整体
算法效果
直线加速,模拟车手油门输入
摩擦力突变道路模拟