这是一个学校安排的课设任务,要求是用Vivado实现DDS、AM调制、AM相干解调三部分功能。在这里记录一下有关AM调制解调的原理、思路和实现。
AM调制
AM——Amplitude Modulation——即为幅度调制。简单地说,就是将基波的幅度作为载波的幅度,把基波调制到载波上去。用数学方法表示为:
m(t)=s(t)∗cos(ωct)
频谱上,等同于将原始信号的频谱双向搬移ωc个单位长度,形成分别以±ωc为中心对称分布的频谱。
(这里只考虑了基波为单极性的情况,双极性基波调制公式有所不同)
AM解调
非相干解调
考虑一个实际的AM接收机,接收到了一个AM调制信号,长这个样子。
载波频率是1MHz,基波频率是100kHz。
最简单的解调方法是:包络检波。先进行整流,再进行滤波。整流后的信号和频谱分别为:
这个频谱可以看出来,通过一个低通滤波器可以轻松的去除掉高频分量,实现解调。解调后的波形带有一个直流分量,可以通过滑动平均或者高通滤波去除掉。
这种解调方式称为非相干解调,是因为这种方式不需要得到调制使用的载波,可以直接用调制波的特性进行解调。
相干解调
相干解调与非相干解调相对,是需要知道载波的频率、相位等信息才能进行解调的。基本原理如下。
首先,对一个信号乘以一个正弦/余弦信号,等同于将其频谱向两个方向搬移正弦/余弦频率个单位长度。
原始信号的频谱,是以ωc为中心的两根对称谱线。如果再乘以一次ωc的正弦信号,则会变成:
- 以0为中心的两根对称谱线(原频谱向中心搬移),幅值为原信号幅值的一半
- 以2ωc为中心的两根对称谱线(原频谱向两侧搬移),幅值为原信号幅值的四分之一
这时候,利用一个低通滤波器,滤除2ωc附近的频率分量,就可以完美的保留基带附近的频率分量,实现解调的效果。
IQ正交解调
IQ正交解调,我所看到的资料中,均划分到“相干解调”这一门类下。但是按照我的理解,IQ正交解调不需要获得载波信息。这个定义有待完善。
IQ正交解调的结构框图如下:
图源:https://www.cnblogs.com/SuperBigSaltFish0/p/18268057,以下大部分推导过程也参考此处。
设基带信号频率为ω1,载波频率为ω2,本振频率(解调时用的频率)为ω3
先求I分量
I(t)=m(t)∗cos(ω3t+ϕ3)=s(t)∗cos(ω2t+ϕ2)∗cos(ω3t+ϕ3)
应用积化和差公式:
I(t)=s(t)∗21[cos((ω2+ω3)t+(ϕ2+ϕ3))+cos((ω2−ω3)t+(ϕ2−ϕ3))]
同理可求得Q分量
Q(t)=s(t)∗21[sin((ω2+ω3)t+(ϕ2+ϕ3))+sin((ω2−ω3)t+(ϕ2−ϕ3))]
附:积化和差公式
cosAcosBsinAsinBsinAcosB=21[cos(A+B)+cos(A−B)]=21[cos(A−B)−cos(A+B)]=21[sin(A+B)+sin(A−B)]
暂时不考虑低通滤波,我把低通滤波放到了IQ求模之后。
令cos(A)=cos((ω2+ω3)t+(ϕ2+ϕ3)),cos(B)=cos((ω2−ω3)t+(ϕ2−ϕ3)),sin与之同理。方便接下来的推导。
还原信号:
sdemod(t)=I2(t)+Q2(t)=2s2(t)+41(cos2(A)+sin2(A))+41(cos2(B)+sin2(B))+21cos(A)cos(B)+21sin(A)sin(B)=2s2(t)+41(cos2(A)+sin2(A))+41(cos2(B)+sin2(B))+21cos(A−B)=2s2(t)+21+21cos(2ω3+2ϕ3)
到这里,其实就能看出一些东西了。首先,sdemod(t)≈2s(t),也就是说,不考虑直流分量和ω3分量,解调到这里就成功了。那也就是说,如果对该信号进行低通滤波和去直流处理,就能够还原出基带信号。这就是IQ解调的基本原理。其推导过程还是比较复杂的,但是可以看出,借助一个第三频率,可以去除掉原来的载波分量,保留基波分量。这对相干解调的硬件实现具有很重要的意义,相干解调不再需要获得与发射机同频同相的载波,对接收机的要求降低了很多。
Vivado搭建AM调制系统
从这里开始就没有什么技术含量了。我为了少写代码,基本上全都在用IP核,整个系统的搭建过程,就像在Simulink里面拿模块搭建一样。
DDS系统
直接调用了Vivado的DDS Compiler这一IP核。相关设置如下。
需要注意的是,DDS Compiler有两种设置模式,分别叫System Parameters和Hardware Parameters。在System Parameters模式下,用户输入的是动态范围、频率分辨率等需求参数,这些参数决定了DDS的外在表现,系统会根据这些需求自动计算出能够满足需求的DDS硬件参数。Hardware Parameters模式下,用户输入的是相位寄存器位宽、输出位宽等硬件参数,系统会计算出该参数下DDS的外在表现,显示在Summary页中。这两种DDS设置模式,可以适应不同系统的不同需求。
幅度调整
考虑到FPGA内部对浮点数的计算,并没有明显的优势,最好还是用整数运算实现整个系统。为了调节AM调制的调制度,又必须以小数比例调整幅度,例如本来255的峰峰值,为了实现0.3的调制度,必须用255×0.3=76.5的峰峰值。为了实现这个效果,我把基带信号先乘以33,再除以100,间接实现了小数乘法运算,也就实现了近似于0.3的调制比。
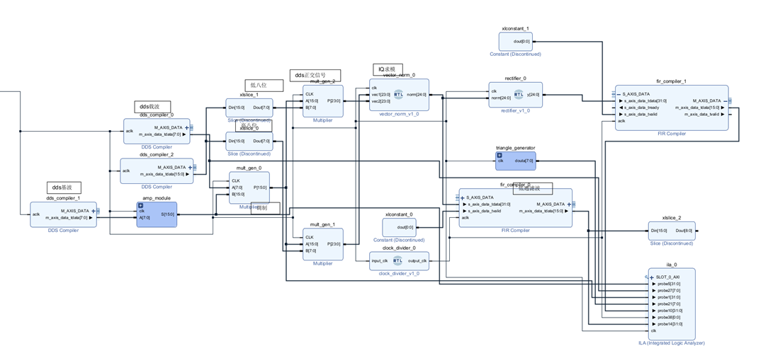
AM解调系统搭建
系统按照前文的系统框图搭建即可。不再赘述。
IQ求模运算,稍微写了一点Verilog代码,如下:
1 2 3 4 5 6 7 8 9 10 11 12 13 14 15 16 17 18 19 20 21
| module vector_norm( input clk, input signed [23:0] vec1, input signed [23:0] vec2, output [24:0] norm ); reg signed [47:0] out_reg; always @(posedge clk) begin out_reg <= vec1 * vec1 + vec2 * vec2; end cordic_0 u_cordic ( .aclk (clk), .s_axis_cartesian_tvalid(1'b1), .s_axis_cartesian_tdata(out_reg), .m_axis_dout_tdata (norm) ); endmodule
|
记录一下FIR滤波器的设计。首先,FIR滤波器并没有内置分频器,Implementation Details里面的Input Frequency和Clock Frequency并不会直接改变clk的频率。例如,100MHz的系统里面,如果FIR想要以1MHz运行,必须把时钟一百分频之后输入FIR模块,单纯在FIR内部输入一个1MHz的Clock Frequency是不能让其正常工作的。Clock Frequency和Input Frequency我并没有搞明白他们的关系,按照网上的说法,二者必须相等,FIR才能运行。这一点在我的实验过程中得到了一定的验证,姑且认为必须这样吧。
其次,MATLAB滤波器想要生成coe文件,必须在左下角第三个按钮点开的页面里面,把系数格式从浮点数改为定点数。如下图所示。
系统仿真验证
AM调制波形如下:
70%调制度
100%调制度
AM解调波形如下:
